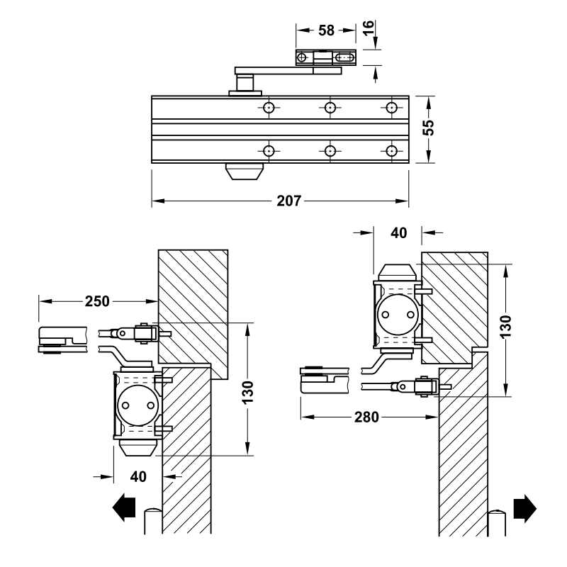
Tay co thủy lực Hafele DCL 15, không có chức năng giữ cửa
AN TOÀN PHONG CÁCH.
Không chỉ là thiết bị đáng tin cậy trong việc kiểm soát hoạt động đóng mở cửa, các bộ đóng cửa tự động Black Range còn là phụ kiện cửa sành điệu với bề mặt đen mờ làm bằng công nghệ sơn bột tĩnh điện cao cấp.
Đặc điểm sản phẩm:
Lực đẩy EN2-EN4
Vật liệu: Hợp kim nhôm
Hoàn thiện: Màu đen mờ
Chiều rộng cửa phù hợp 750-1100 mm
Trọng lượng tối đa 80 kg
Góc mở tối đa 180 độ
Có chức năng giữ cửa
Góc giữ cửa 70°-145°
